DYX car pumps work on demand and are great for nearly any low-pressure application in a car massage comfort system! Use these reliable pumps for 12point 8point 6point and more massge system.
pumps efficiently transport air to the point where it is dispensed to the air seat of the vehicles. Whether you need a specific flow rate or pressure endurance these air-operated diaphragm pumps from DYX have you covered. Match the specifications of a pump to the requirements of your system to ensure efficient operation of your equipment allowing you to activate comfort system. When you need a pump with high-performance, don't worry,these pumps are silent ,long-life and Low temperature resistance. Our engineers work closely with major automobile manufacturers and their direct suppliers on new technologies that hold much promise for tomorrow's car massage comfort system.Check out high quality DYX pumps and select a model to match your needs.

Description
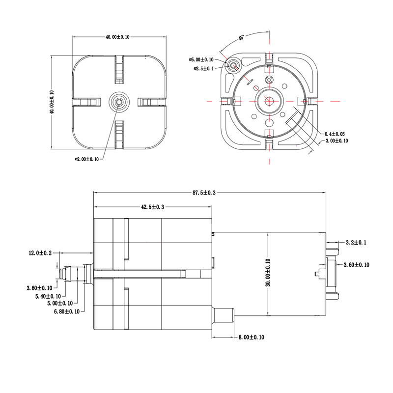
DQB440-A is ideal for heavy-duty car comfort systerm applications. 10 GPM flow is reliable and consistent. It is designed with low vibration, low noise and low power consumption.
Applications
Car massage seat
Car air seats



